Mat = C45
Max T/m = 50
a = 45°
Подробнее
Цена по запросу
Описание
Описание
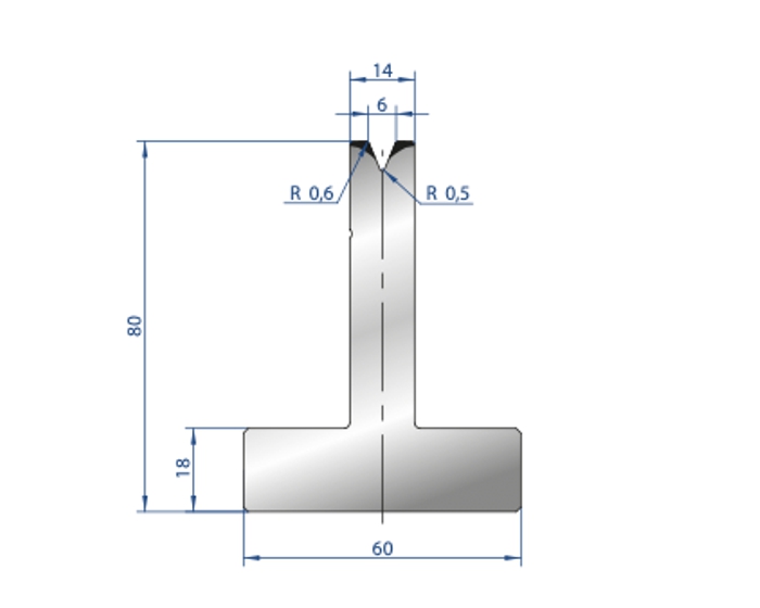
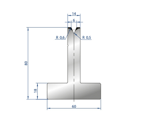
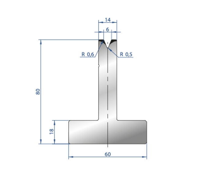
Матрица предназначена для гибки деталей различной формы из листового металла. Ее изготавливают из инструментальной стали, а рабочие поверхности закалены методом индукционной закалки. Инструмент выполнен с повышенной точностью и подвергнут шлифованию. Ширина раскрытия матрицы, ее угол и максимальная нагрузка выбираются в зависимости от параметров изделий, которые необходимо получать.
Варианты исполнения

Вы всегда можете обратиться к нашим специалистам за помощью в подборе инструмента конкретно под Ваши задачи.
Характеристики
| Информация о бренде | |
| Страна производства | Италия |
| Общие характеристики | |
| Материал | C45 |
| Угол матрицы, ° | 45° |
| Радиус матрицы, мм | 3 |
| Высота матрицы, мм | 80 |
| Ширина ручья, мм | 6 |
| Максимальная нагрузка, тонн/метр | 50 |
| Тип крепления | Amada - Promecam |
- Комментарии
Загрузка комментариев...