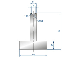
Mat = C45
Max T/m = 100
a = 88°
Цена по запросу
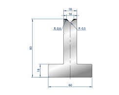
Mat = C45
Max T/m = 100
a = 88°
Цена по запросу
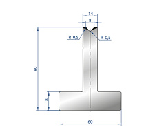
Mat = C45
Max T/m = 100
a = 88°
Цена по запросу
Mat = C45
Max T/m = 100
a = 88°
Цена по запросу
Mat = C45
Max T/m = 100
a = 88°
Цена по запросу
Mat = C45
Max T/m = 100
a = 88°
Цена по запросу
Mat = C45
Max T/m = 100
a = 88°
Цена по запросу
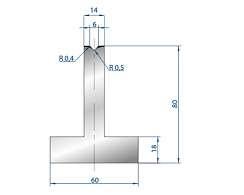
Mat = C45
Max T/m = 100
a = 85°
Цена по запросу
Mat = C45
Max T/m = 100
a = 85°
Цена по запросу
Гибочный инструмент системы Amada/Promecam, является самым популярным в мире и применяется на большинстве листогибочных прессов. Данная система крепления имеет очень большое разнообразие пуансонов и матриц под различные гибы, в том числе специальный инструмент под конкретные задачи. При использовании специальных адаптеров данный инструмент может быть установлен на листогибы любого производителя с различными системами крепления.